Характеристики

1. Мы предоставляем руководство по эксплуатации модуля и программное обеспечение для отладки, пожалуйста, посетите наш веб-сайт для загрузки. http://www.shwellpro.com/download
2. Если у вас есть какие-либо вопросы о продуктах, пожалуйста, не стесняйтесь задать мне сообщение, наш инженер поможет вам решить эту проблему.
3. Если Таможенный налог является обязательным, покупатель должен нести стоимость, Продавец не несет никаких таможенных пошлин.
4. Любые проблемы просто свяжитесь с нами через сообщение заказа или электронную почту. Ваша поддержка очень важна для нас, спасибо за понимание!
В последнее время из-за мер контроля COVID-19 рядом находится контроль движения.
Завод приостановил доставку. Это займет от трех до четырех недель.
2022.4.9

Детали товара
1. Описание товара
Восемь выходных каналов РЕЛЕ (SPST)
RS485 MODBUS RTU стандартный протокол связи
Сеть с программным обеспечением конфигурации, PLC или промышленная сенсорная панель
Коммуникация, цифровой вход и цифровой выходной статус светодиодный
Схема связи предназначена для защиты от грома и помех
Используется для сбора сигналов и управления в промышленной области
2. Спецификация
Релейный выходной канал 8ch (SPST)
Контактная мощность реле 2A/250VAC 2A/30VDC
Рабочая температура-20 ~ 70 ℃
Внешнего источника питания DC9V ~ 30 Вт/5 Вт
Защита от изоляции DC1500V
Метод установки стандартный DIN направляющая или винт
Размер 125 × 73 × 35 мм
3. Описание интерфейса
AVcc | Внешний источник питания Вход положительный |
AGnd | Внешний источник питания Вход отрицательный/мощность заземления |
RY1A | Релейный выходной канал 1 нормально открытый контакт A |
RY1B | Релейный выходной канал 1 нормально открытый контакт B |
RY2A | Релейный выходной канал 2 нормально открытый контакт A |
RY2B | Релейный выходной канал 2 нормально открытый контакт B |
RY3A | Релейный выходной канал 3 нормально открытый контакт A |
RY3B | Релейный выходной канал 3 нормально открытый контакт B |
RY4A | Релейный выходной канал 4 нормально открытый контакт A |
RY4B | Релейный выходной канал 4 нормально открытый контакт B |
RY5A | Релейный выходной канал 5 нормально открытый контакт A |
RY5B | Релейный выходной канал 5 нормально открытый контакт B |
RY6A | Релейный выходной канал 6 нормально открытый контакт A |
RY6B | Релейный выходной канал 6 нормально открытый контакт B |
RY7A | Релейный выходной канал 7 нормально открытый контакт A |
RY7B | Релейный выходной канал 7 нормально открытый контакт B |
RY8A | Релейный выходной канал 8 нормально открытый контакт A |
RY8B | Релейный выходной канал 8 нормально открытый контакт B |
485B | Сигнал RS485 B- |
485A | RS485 сигнал A + |
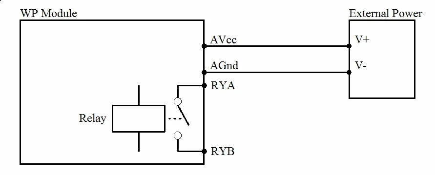
4. Схема применения цифрового выхода

5. Описание связи
5,1. Коммуникационный параметр: 9600, None, 8, 1 (настройка по умолчанию)
Параметр | Описание |
9600 | Скорость передачи данных |
Нет | Контрольный бит |
8 | Бит данных |
1 | Стоп-бит |
5,2. Команда для настройки данных цифрового выхода (Управление несколькими каналами)
Отправка: 01 0F 00 00 00 08 01 A4 FF 2E (пример/шестигранный)
Данные | Байт | Описание данных | Примечание |
01 | 1 | Адрес модуля | Диапазон адресов: 01-FE |
0F | 1 | Функциональный код | 0f-запись нескольких цифровых регистраторов |
0000 | 2 | Зарегистрированный адрес (тип 0X) | 0000-исходный адрес регистра |
0008 | 2 | Зарегистрированный номер | 0008-Запись 8 регистров |
01 | 1 | Байт данных | 01-запись 1 байт |
А4 | 1 | Запись данных | A4-digital выходные данные |
FF2E | 2 | Код проверки CRC | CRC проверьте код для всех данных |
Получение: 01 0F 00 00 00 08 54 0D (пример/шестигранный)
Эта команда устанавливает модуль для вывода нескольких каналов.
Данные цифрового выхода «A4», они будут «10100100» после преобразования в бинарные данные. Восемь бит данных соответствуют RY8 ~ RY1. Это означает, что RY8, RY6 и RY3 включены.
Когда модуль получит правильную команду, он отправит ответ обратно мастеру.
5,3. Команда для настройки данных цифрового выхода (Управление одним каналом)
Отправка: 01 05 00 00 FF 00 8C 3A (пример/шестигранный)
Данные | Байт | Описание данных | Примечание |
01 | 1 | Адрес модуля | Диапазон адресов: 01-FE |
05 | 1 | Функциональный код | 05-запись одного цифрового выходного регистра |
0000 | 2 | Зарегистрированный адрес (тип 0X) | 0000-цифровой выходной канал 1 регистр 0001-цифровой выходной канал 2 регистр 0002-цифровой выходной канал 3 0003-цифровой выходной канал 4 регистра 0004-цифровой выходной канал 5 0005-цифровой выходной канал 6 регистр 0006-цифровой выходной канал 7 регистр 0007-цифровой выходной канал 8 регистр |
FF00 | 2 | Запись данных | FF00-ON, 0000-OFF |
8C3A | 2 | Код проверки CRC | CRC проверьте код для всех данных |
Получение: 01 05 00 00 FF 00 8C 3A (пример/шестигранный)
Эта команда устанавливает модуль для вывода одного канала.
Когда модуль получит правильную команду, он отправит ответ обратно мастеру.
5,4. Команда для чтения данных с цифровым выходом
Отправка: 01 01 00 00 00 08 3D CC (пример/шестигранный)
Данные | Байт | Описание данных | Примечание |
01 | 1 | Адрес модуля | Диапазон адресов: 01-FE |
01 | 1 | Функциональный код | 01-чтение цифровой выходной регистр |
0000 | 2 | Зарегистрированный адрес (тип 0X) | 0000-исходный адрес регистра |
0008 | 2 | Зарегистрированный номер | 0008-чтение 8 регистров |
3DCC | 2 | Код проверки CRC | CRC проверьте код для всех данных |
Получение: 01 01 01 A4 50 33 (пример/шестигранный)
Данные | Байт | Описание данных | Примечание |
01 | 1 | Адрес модуля | Диапазон адресов: 01-FE |
01 | 1 | Функциональный код | 01-чтение цифровой выходной регистр |
01 | 1 | Байт данных | 01-чтение 1 байт |
А4 | 1 | Чтение данных | A4-digital выходные данные |
5033 | 2 | Код проверки CRC | CRC проверьте код для всех данных |
Эта команда считывает цифровые выходные данные модуля.
Данные цифрового выхода «A4», они будут «10100100» после преобразования в бинарные данные. Восемь бит данных соответствуют RY8 ~ RY1. Это означает, что RY8, RY6 и RY3 включены.
5,5. Команда для настройки Адреса модуля
Отправка: 00 06 00 64 00 01 08 04 (пример/шестигранный)
Дата | Байт | Описание данных | Примечание |
00 | 1 | Адрес модуля | 00-адрес трансляции |
06 | 1 | Функциональный код | 06-запись одного холдинга |
0064 | 2 | Зарегистрированный адрес (4X тип) | 0064-Модульный адресный регистр |
0001 | 2 | Запись данных | 0001-адрес модуля, диапазон: 0001-00FE |
0804 | 2 | Код проверки CRC | CRC проверьте код для всех данных |
Получение: 00 06 00 64 00 01 08 04 (пример/шестигранный)
Эта команда устанавливает адрес модуля (рабочий адрес) как «01» (настройка по умолчанию). Эта настройка может быть сохранена при выключении питания. Это команда трансляции. Необходимо убедиться, что к мастеру подключен только один модуль.
Когда модуль получит правильную команду, он отправит ответ обратно мастеру.
5,6. Команда для настройки параметров связи
Отправка: 01 06 00 65 00 02 18 14 (пример/шестигранный)
Данные | Байт | Описание данных | Примечание |
01 | 1 | Адрес модуля | Диапазон адресов: 01-FE |
06 | 1 | Функциональный код | 06-запись одного холдинга |
0065 | 2 | Зарегистрированный адрес (4X тип) | 0065-регистр параметров связи |
0002 | 2 | Запись данных | 0001- 4800, нет, 8, 1 0002- 9600, нет, 8, 1 0003- 19200, нет, 8, 1 0004- 38400, нет, 8, 1 0005- 4800, ровный, 8, 1 0006- 9600, ровный, 8, 1 0007- 19200, ровный, 8, 1 0008- 38400, ровный, 8, 1 |
1814 | 2 | Код проверки CRC | CRC проверьте код для всех данных |
Получение: 01 06 00 65 00 02 18 14 (пример/шестигранный)
Эта команда устанавливает Коммуникационный параметр как «9600, None, 8, 1» (настройки по умолчанию). Эта настройка может быть сохранена при выключении питания.
Когда модуль получит правильную команду, он отправит ответ обратно мастеру.
6. Описание питания/данных светодиодный
При включении модуля светодиодный зеленый цвет.
Когда модуль находится под связью, светодиодный мерцает.
Когда модуль получает правильную команду, светодиодный зеленый цвет.
Когда модуль получает неверную команду или другую команду модуля, светодиодный индикатор красного цвета.
7. Описание отладки ПК
Мы предоставляем программное обеспечение для отладки для тестирования функций и настройки параметров. Выполните следующие действия:
Подключите компьютер к модулю с конвертером RS485.
Подключите питание DC12V или DC24V к модулю и включите питание. Чтобы избежать ненужных повреждений, пожалуйста, убедитесь, что положительные и отрицательные клеммы правильно подключены перед включением питания.
Откройте программное обеспечение и выберите модель модуля, вы увидите окно функционального тестирования или настройки параметров.
Установите параметр связи и откройте последовательный порт.
Выберите соответствующую настройку и нажмите кнопку «Чтение» или «запись».

8. Сетевая схема RS485

Отзывы о (8RO) _ модуль релейного выхода/RS485 MODBUS RTU коммуникация WP8025ADAM Wellpro - купить по
Отзывы о товарах