Характеристики
APM2.8 APM 2,8 без Контроллер полета компаса ИЗОГНУТЫЙ ШТИФТ с чехол для DIY FPV Мультикоптер RC Drone
Это APM2.8 без компаса.
----Защитный чехолНо не амортизатор удара!
Размер:70*45*13,5
Вес: 28 г
APM-это управление полетом с открытым исходным кодом, можете ли вы хорошо играть APM в зависимости от индивидуальных способностей. Игрок должен иметь способность базового понимания монолитной интегральной схемы, c-языка, знания электрических, механических, а также требует определенной степени умственной способности, финансовых и материальных ресурсов, поддержки энергии. Если вы не готовы, мы рекомендуем сначала подготовить вводную информацию.
Введение:
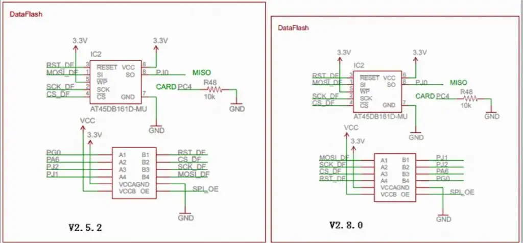
Устраняет V2.52 версии старый 1,0 мм 6P SM06B GPS интерфейс, изменен на DF13-4P компас внешний I2C интерфейс, поместите DF13-5P GPS интерфейс с внешними интерфейсами компаса, более удобно соединять GPS с внешним компасом.
Заменен интерфейс V2.52 I2C на многоцелевые интерфейсы MUX, которые могут быть использованы самими пользователями через панель задней платы, свободно настраиваемый функциональный выход, UART0,UART2,I2C,OSD опционально, по умолчанию интерфейс OSD, избегая версии 2,52, когда вы хотите использовать как передачу данных, так и OSD, вам нужно использовать y-линию, разделяющую интерфейс программы. Улучшенный интерфейс OSD при использовании в сочетании с передачей данных, из-за сопротивления изоляции, более эффективный, чтобы избежать помех передачи данных.
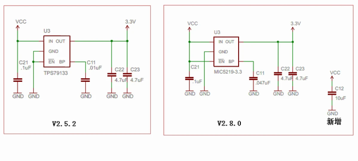
Новый V2.8.0 использует semi-LP2985-3.3 США, устойчивость к давлению до 16 В, повышенная надежность, Сниженная вероятность плохого гироскопа из-за проблем с напряжением.


Особенности:
-Совместимость с Arduino!
-Можно заказать с верхними входными контактами для крепления соединителей вертикально, или в качестве боковых входных контактов, чтобы сдвинуть ваши разъемы в любой конец Горизонтально
-В комплект входят 3 оси гироскопа, акселерометр и магнитометр, а также высокопроизводительный барометр
-Встроенный чип 4 мегабайта Dataflash для автоматического набора данных
-Дополнительный бортовой GPS, uBlox LEA-6H модуль с компасом.
-Одна из первых систем автопилота с открытым исходным кодом для использования акселерометра Invensense 6 DoF/гироскопа MPU-6000.
-Барометрический датчик давления обновлен до MS5611-01BA03, от измерительных специализаций.
-Чипы Atmel ATMEGA2560 и ATMEGA32U-2 для обработки и usb функций соответственно.

1. Порт передачи данных
2. Порт аналогового датчика
3. Выход карданного шарнира автостабильности
4. ATMEGA2560 SPI Интернет-порт программирования (пригодится для оптического датчика потока)
5. Порт USB
6. Пульт дистанционного управления
7. Функция выбора перемычки
8. Порт GPS
9. 12C Порт внешнего компаса
10. ATMEGA32U2 SPI порт онлайн программирования
11. Многофункциональный настраиваемый порт MUX (OSD-это выходное напряжение)
12. Порт напряжения тока
13. Адаптер питания ESC
14. Выходной порт ESC

Посылка включает в себя:
-1 * плата APM2.8
-1 * Защитный чехол APM2.8





Отзывы о F17884 APM 2.8 2 8 без фотомагнитной платы с чехлом для DIY FPV|pin pin|pin diypins for board |
Отзывы о товарах