Характеристики
Шариковые винты используются в самолетах и ракетах для перемещения поверхностей управления, особенно для электрических летающих аппаратов, И в автомобильном усилителе рулевого управления, чтобы перевести поворотное движение от электродвигателя к осевому движению рулевой рейки. Из-за небольшого трения, они также используются в станках, роботах и точной сборке оборудования. Шариковые винты высокой точности используются в машинах для производства полупроводников.
Посылка: 1 x Концевая обработка шариковых винтов 1 x шариковые гайки
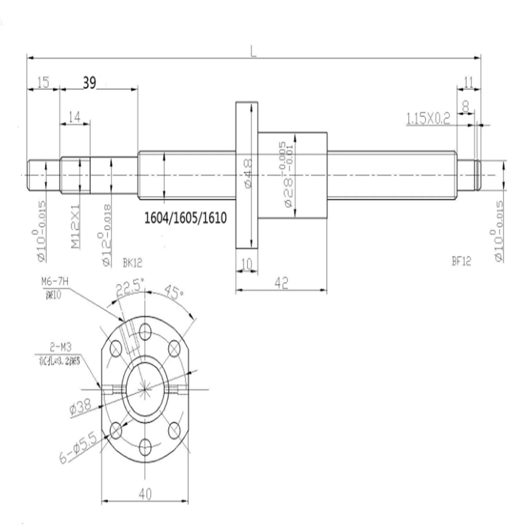
Номер модели: SFU1605-250
Название продукта: шариковый винт
Цвет: серебристый
Диаметр: 16 мм
Длина: 250 мм
Материал: металл
Упаковочный лист
Посылка включает в себя:
1 x шаровой винт SFU1605 с гайкой



Отзывы о SFU1605 250 300 350 400 450 500 550 600 мм шариковый винт C7 800 фланец одна шариковая гайка BK/BF12 RM1605
Отзывы о товарах