Характеристики
Электронная трубка эвакуированная Труба мост выпрямитель 150mA блок питания
Без 6Z4 трубок для 6P1/6P14/6P 3P трубка, усилитель мощности
Описание:
Советы:Только плата электропитания, не включает электронные трубки!

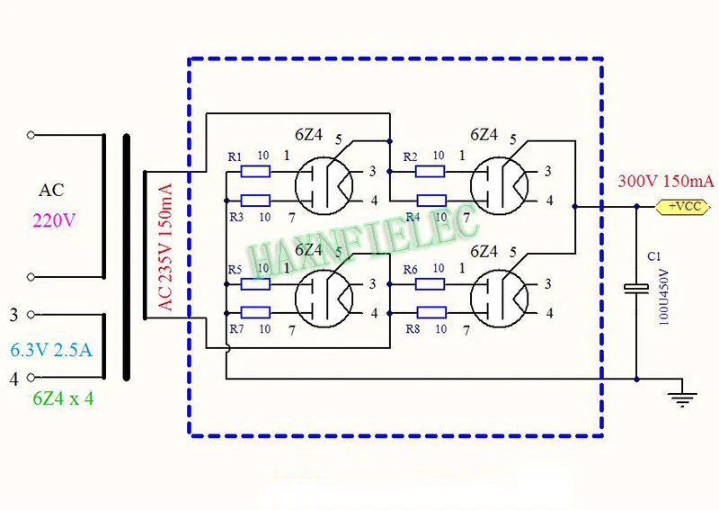
Электронный трубчатый комбинированный мостовой выпрямитель, одиночный источник питания напряжения, выделенная печатная плата для высоковольтного выпрямителя, выходной ток 150 мА. Подходит для 6P1/6P14/6P3P и других электронных трубчатых односторонних стереоусилителей мощности. Небольшой размер, легко фиксируется, широко используется, стабильный и надежный, и идеальный эффект использования.
Использование цепи:Вход переменного тока в переменный ток высокого напряжения с двумя линиями вход переменного тока накаливания 6,3 V 2.5A переменного тока с двумя линиями, выход постоянного тока высокого напряжения с двумя линиями.

Изысканная FR4 двухсторонняя Высококачественная печатная плата, размер 68 мм x 51 мм. Расстояние четырех держателей труб: 32 мм + 32 мм, 25 мм + 25 мм.
Упаковочный лист:
1 шт. x электронная трубка мост источник питания выпрямителя доска


Отзывы о Электронная трубка вакуумная мостовой выпрямитель 150 мА плата питания без 6Z4
Отзывы о товарах