Характеристики

Модель DQD-LY
Особенности:
1. Используйте мобильное приложение для управления блокировкой автомобиля/разблокировкой
2. Используйте мобильное приложение для управления запуском/остановкой двигателя
3. Запуск/остановка одной кнопкой
4. Удаленный запуск/остановка
5. Интеллектуальное обнаружение ручного тормоза
6. Интеллектуальное обнаружение запуска масляного насоса
7. Функция блокировки двигателя (транспортное средство не может быть запущено в автомобиле после блокировки двери)
8. Автоматически блокирует дверь, нажав на ножной тормоз после запуска, и автоматически разблокируется, когда пламя выключено
9. Память отключения питания
10. Пульт дистанционного управления включен в течение 10 минут, и пламя регулярно выключается
Характеристики:
Температура окружающей среды: -40c- + 80c; Атмосферное давление 86-106KPa
Относительная влажность: 10% -95%
Рабочее напряжение: DC12V +/- 3 в
Особенности: одна кнопка запуска системы, Управляйте автомобилем удаленно с помощью мобильного приложения
Применимо к моделям: 12V автомобиля
Упаковочный лист:
1 * контроллер системы зажигания
2 * Установите жгут проводов
1 * дистанционный ключ
1 * кнопка Start stop
1 * Инструкция
Модель аккумулятора: 2 * CR-2016


Модель SG-LY
Особенности:
1. Используйте мобильное приложение для управления блокировкой автомобиля/разблокировкой
2. Используйте мобильное приложение для управления запуском/остановкой двигателя
3. Запуск/остановка одной кнопкой
4. Удаленный запуск/остановка
5. Интеллектуальное обнаружение ручного тормоза
6. Интеллектуальное обнаружение запуска масляного насоса
7. Задняя коробка открывается удаленно (требуется собственный мотор задней коробки оригинального автомобиля)
8. Дистанционное управление поиска автомобиля (звуковой сигнал, светильник направления мигает для подсказки)
9. Удаленное разблокирование/Блокировка
10. Функция противоугонной сигнализации (противокражная дверь для вождения, переход на ножной тормоз, триггер, сигнальная сигнализация)
11. Функция блокировки двигателя (транспортное средство не может быть запущено в машине после блокировки двери)
12. Автоматически блокирует дверь, наступая на ножной тормоз после запуска, и автоматически разблокируется, когда пламя выключено
13. Оповещение о оригинальном автомобильном Роге (требует, чтобы
Оригинальный автомобиль имеет контрольную линию, и может быть добавлен сигнал тревоги)
14. Память отключения питания
15. Функция аварийного сброса
16. Пульт дистанционного управления включен в течение 10 минут, и пламя регулярно выключается
Характеристики:
Температура окружающей среды: -40c- + 80c; Атмосферное давление 86-106KPa
Относительная влажность: 10% -95%
Рабочее напряжение: DC12V +/- 3 в
Модель аккумулятора: CR-2016
Высокая частота: 433,92 МГц
Характеристики: одна кнопка запуска, удаленный запуск или остановка двигателя, сигнализация и аварийная остановка, управление автомобилем с помощью мобильного приложения
Применимо к моделям: 12V автомобиля
Упаковочный лист:
2 * кнопки дистанционного управления
1 * контроллер системы зажигания
2 * Установите жгут проводов
1 * кнопка Start stop
1 * Инструкция
Модель аккумулятора: 4 * CR-2016


Модель PKESG-LY
Особенности:
1. Функция блокировки двигателя (если ключ находится вне диапазона, двигатель не может быть запущен)
2. Используйте мобильное приложение для управления блокировкой автомобиля/разблокировкой
3. Используйте мобильное приложение для управления запуском/остановкой двигателя
4. Запуск/остановка одной кнопкой
5. Удаленный запуск/остановка
6. Интеллектуальное обнаружение ручного тормоза
7. Интеллектуальное обнаружение запуска масляного насоса
8. Задняя коробка открывается удаленно (требуется собственный мотор задней коробки оригинального автомобиля)
9. Дистанционное управление поиска автомобиля (звуковой сигнал, светильник направления мигает для подсказки)
10. Удаленное разблокирование/Блокировка
11. PKE keyless удобная функция входа, автоматически разблокируется автомобиля 1,5-3 метров от автомобиля, автоматическая блокировка двери 3-5 метров от автомобиля
12. PKE Индукционная функция временного отключения
13. Идентификация RFID
14. Функция противоугонной сигнализации (противокражная дверь для вождения, переход на ножной тормоз, триггер, сигнальная сигнализация)
15. Автоматически блокирует дверь, наступая на ножной тормоз после запуска, и автоматически разблокируется, когда пламя выключено
16. Оповещение о оригинальном автомобильном Роге (требуется, чтобы оригинальный автомобиль был оснащен контрольной линией, и может быть добавлен звуковой сигнал)
17. Память отключения питания
18. Функция аварийного сброса
19. Пульт дистанционного управления включен в течение 10 минут, и пламя регулярно выключается
Характеристики:
Температура окружающей среды: -40c- + 80c; Атмосферное давление 86-106KPa
Относительная влажность: 10% -95%
Рабочее напряжение: DC12V +/- 3 в
Модель аккумулятора: CR-2032
Высокая частота: 433,92 МГц, низкая частота: 125 кГц
Характеристики: двигатель дистанционного пуска, безключевой вход, блокировка двигателя, сигнализация и аварийная остановка
Применимо к моделям: 12V автомобиля
Упаковочный лист:
2 * кнопки дистанционного управления
1 * контроллер системы зажигания
2 * Установите жгут проводов
1 * кнопка Start stop
2 * Индукционная антенна
1 * Инструкция
Модель аккумулятора: 2 * CR-2032
Примечание: Двигатель дистанционного пуска необходимо нажимать три раза подряд вместо трех секунд, неправильно описано руководство



Модель UTE-808
Особенности:
1. Используйте мобильный телефон, чтобы разблокировать или заблокировать автомобиль
2. Используйте мобильный телефон для запуска или остановки двигателя
3. Запуск/остановка одной кнопкой
4. Удаленный запуск/остановка
5. Автоматически закройте окно, когда автомобиль заблокирован (эта функция требует, чтобы ваш автомобиль мог закрыть окно электрически, и имеет управляемую цепь)
6. Бесшумная защита от кражи
7. Интеллектуальное обнаружение ручного тормоза
8. Интеллектуальное обнаружение запуска масляного насоса
9. Задняя коробка открывается удаленно (требуется собственный мотор задней коробки оригинального автомобиля)
10. Дистанционное управление поиска автомобиля (звуковой сигнал, светильник направления мигает для подсказки)
11. Удаленное разблокирование/Блокировка
12. Функция противоугонной сигнализации
13. Автоматически блокирует дверь, наступая на ножной тормоз после запуска, и автоматически разблокируется, когда пламя выключено
14. Оповещение о оригинальном автомобильном Роге (требуется, чтобы оригинальный автомобиль был оснащен контрольной линией, и может быть добавлен звуковой сигнал)
15. Память отключения питания
16. Функция аварийного сброса
17. Пульт дистанционного управления включен в течение 10 минут, и пламя регулярно выключается
18. Сигнализация о столкновении
19. Блокировка двигателя
Контроллер:
Температура окружающей среды: -40c- + 80c; Атмосферное давление 86-106KPa
Относительная влажность: 10% -95%
Рабочее напряжение: DC12V +/- 3 в
Статический ток:<15 мА
Выходной ток: ACC/ON/START = 30A; Сигнал поворота = 5A
Высокая частота: 433,92 МГц
Удаленные ключи:
Рабочее напряжение: 3 в
Статический ток:<5uA
Модель батареи: CR2032
Высокая частота: 433,92 МГц
Упаковочный лист:
2 * кнопки дистанционного управления
1 * контроллер системы зажигания
4 * Установите жгут проводов
1 * кнопка Start stop
1 * Инструкция
1 * датчик столкновения
1 * светодиодный светильник
1 * противоугонное реле отключения питания
Модель аккумулятора: 2 * CR-2032


Модель UTE-1000A
Особенности:
1. Используйте мобильный телефон, чтобы разблокировать или заблокировать автомобиль
2. Используйте мобильный телефон для запуска или остановки двигателя
3. Функция блокировки двигателя (если удаленный ключ находится вне диапазона, двигатель не может быть запущен)
4. Запуск/остановка одной кнопкой
5. Удаленный запуск/остановка
6. Автоматически закройте окно, когда автомобиль заблокирован (эта функция требует, чтобы ваш автомобиль мог закрыть окно электрически, и имеет управляемую цепь)
7. Адаптируется к дизельным автомобилям с помощью переключателя
8. Интеллектуальное обнаружение ручного тормоза
9. Интеллектуальное обнаружение запуска масляного насоса
10. Задняя коробка открывается удаленно (требуется собственный мотор задней коробки оригинального автомобиля)
11. Дистанционное управление поиск автомобиля (звуковой сигнал, светильник направления мигает для подсказки)
12. Удаленное разблокирование/Блокировка
13. PKE keyless удобная функция входа, автоматически разблокируется автомобиля 1,5-3 метров от автомобиля, автоматическая блокировка двери 3-5 метров от автомобиля
14. PKE Индукционная функция временного отключения
15. Идентификация RFID
16. Функция противоугонной сигнализации (противокражная дверь для вождения, переход на ножной тормоз, триггер, сигнальная сигнализация)
17. Автоматически блокирует дверь, наступая на ножной тормоз после запуска, и автоматически разблокируется, когда пламя выключено
18. Оповещение о оригинальном автомобильном Роге (требуется, чтобы оригинальный автомобиль был оснащен контрольной линией, и может быть добавлен звуковой сигнал)
19. Память отключения питания
20. Функция аварийного сброса
21. Пульт дистанционного управления включен в течение 10 минут, и пламя регулярно выключается
22. Сигнализация о столкновении (необходимо добавить датчик вибрации)
Характеристики:
Контроллер:
Температура окружающей среды: -40c- + 80c; Атмосферное давление 86-106KPa
Относительная влажность: 10% -95%
Рабочее напряжение: DC12V +/- 3 в
Статический ток:<15 мА
Выходной ток: ACC/ON/START = 30A; Сигнал поворота = 5A
Высокая частота: 433,92 МГц, низкая частота: 125 кГц
Удаленные ключи:
Рабочее напряжение: 3 в
Статический ток:<5uA
Модель батареи: CR2032
Высокая частота: 433,92 МГц
Упаковочный лист:
2 * кнопки дистанционного управления
1 * контроллер системы зажигания
4 * Установите жгут проводов
1 * кнопка Start stop
1 * Инструкция
1 * датчик столкновения
2 * низкочастотная Индукционная антенна
1 * противоугонное реле отключения питания
Модель аккумулятора: 2 * CR-2032
Примечание: Двигатель дистанционного пуска необходимо нажимать три раза подряд вместо трех секунд, неправильно описано руководство



Вопрос и ответ по установке:
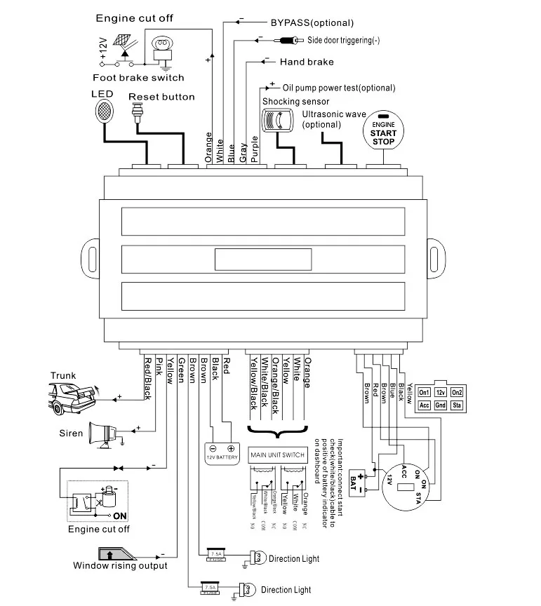
1. Как выбрать между ON1 и ON2?
ON1 и ON2 одинаковые. Если оригинальный автомобиль имеет 2 вкл, подключите ON1 и ON2 соответственно, независимо от заказа.
Если в оригинальном автомобиле есть только один, подключите ON1 или ON2
2. Как подключить синий ACC Запуск мгновенного отключения питания?
Синяя линия является ACC, который также является стартовым выключением. Если ваш автомобиль ACC питания, на мощности. Так разделите продукт синей линией на два.
Один подключен к источнику питания ACC, а другой подключен параллельно ON1 или ON2 и подключен к выключению питания.
Если у вашего автомобиля нет ACC, но только включено, и питание отключено, подключите синюю линию параллельно ON1
Или ON2, а затем подключите к питанию
3. Как подключить испытательную линию масляного насоса и ручную тормозную линию?
Линия обнаружения масляного насоса подключена к оригинальной масляной линии транспортного средства, вы можете подключиться к ON1 или ON2.
Эта линия должна быть подключена
Линия ручного тормоза может быть подключена к GND, эта линия должна быть подключена, в противном случае вы не можете дистанционно запускать двигатель


О том, как использовать приложение
1. Отсканируйте qr-код и выберите Android или Apple для загрузки приложения
2. Включите Bluetooth вашего телефона, затем откройте приложение и нажмите, чтобы войти в центр настроек; Нажмите кнопку обучения около 2 секунд, затем нажмите кнопку блокировки и Разблокируйте кнопку на пульте дистанционного управления три раза в течение 10 секунд (Примечание: Нажмите кнопку блокировки и Разблокируйте кнопки вместе); Вернитесь в центр управления приложением. Если вы можете управлять автомобилем, это означает, что вы успешно научились. Если вы не можете управлять автомобилем, выполните вышеуказанные действия и повторите попытку Примечание: вышеуказанная операция должна быть выполнена в пределах 10 метров от транспортного средства
3. Убедитесь, что Bluetooth вашего телефона включен, и вы выполнили шаги (2), чтобы успешно узнать ключ. Теперь вы можете использовать приложение для управления автомобилем, чтобы заблокировать, разблокировать, открыть багажник, режим отключения звука и запустить двигатель.
Примечание: 1. Когда автомобиль превышает определенный диапазон, он не может получить сигнал, отправленный приложением; 2. Пожалуйста, нажмите каждую кнопку в приложении в течение 2 секунд, чтобы отправить команду управления
4. Система может позволить только один мобильный телефон, чтобы узнать ключ, то есть, когда вы используете новый мобильный телефон успешно узнать ключ, старый мобильный телефон не сможет управлять системой;
5. Если вы хотите использовать несколько мобильных устройств одновременно, система может быть реализована с помощью авторизации, используя новый мобильный телефон, чтобы загрузить приложение в опции лицензирования после того, как вход был изучен Код авторизации в ключах старый мобильный телефон; Авторизованный методом может быть использован неограниченное количество нового и неограниченного времени; Если вы хотите прекратить авторизацию, просто измените номер авторизации в старом телефоне, который уже узнал Ключ








Отзывы о Пульт дистанционного запуска двигателя нажмите кнопку старт-стоп чтобы
Отзывы о товарах