Характеристики
Описание
Интернет-магазин Welcom to Mean Well в Aliexpress году
Хорошо, самые полные решения для питания и универсальные покупки. Доступно более 9000 моделей Mean Well. Если вы не можете найти нужные вам модели в нашем магазине, свяжитесь с нами; Если у вас есть какие-либо вопросы, свяжитесь с нами; Если вы являетесь бизнес-клиентом, свяжитесь с нами.
Бренд: Mean Well
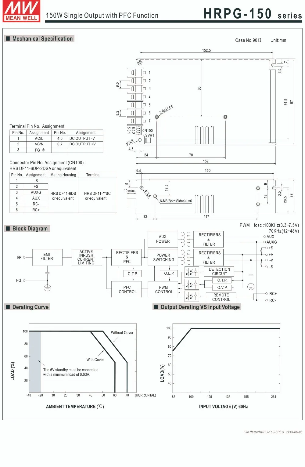
Модель: HRPG-150-48V
Особенности:
- Универсальный вход переменного тока/полный диапазон
- Встроенная активная Функция PFC, PF> 0,95
- Высокая Эффективность до 88%
- Выдерживает перенапряжение В переменного тока в течение 5 секунд
- Защита: от короткого замыкания/перегрузки/перенапряжения/Перегрев
- Охлаждение свободной воздушной конвекцией
- Встроенная схема ограничения постоянного тока
- 1U низкопрофильный 38 мм
- Встроенный пульт дистанционного управления ВКЛ-ВЫКЛ
- Стенд 5V@0.3A
- Встроенная функция дистанционного управления
- Потребляемая мощность без нагрузки <0,5 Вт
- 5Лет гарантии



Отзывы о Оригинал MEAN WELL HRPG-150-48 48 В 3 А meanwell HRPG-150 158 Вт с одним выходом функцией PFC источник
Отзывы о товарах